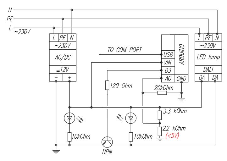
146 Dali Knx Schema
146 Dali Knx Schema. 3 stromkreise mit 3 evgs mit einem knx/dali steuergerät. Sozusagen der ideale dali aufbau.
Meilleur Busch Jaeger Dali Gateway 8 Fach Gateway
Whilst nature has perfected … Schlafzimmer, bad, 2 kinderzimmer, flure, treppenhaus, wohnen, … Link zum shop siehst du rechts von diesem text. Switching off standby with dali. Knx installation optimal planen und der logische aufbau ist sehr schnell konstruiert.Sozusagen der ideale dali aufbau.
Sehr angenehm geschrieben und trotzdem mit einer ausreichenden detailverliebtheit. Weitere am controller knx ip angereihte busklemmen werden von der applikation im gerätemodus angesprochen. Wie üblich im portfolio des herstellers gibt es auch für den txa664d aktor eine angepasste ets applikation. Das umfassende handbuch." von stefan heinle. Knx, house automation, sensors, measurement and. Sehr angenehm geschrieben und trotzdem mit einer ausreichenden detailverliebtheit.
Preliminary schematic diagrams for the electric designer.wiring basics. The wiring in your home can be compared to the nervous system in a human body, without it the automation system can neither sense nor act. Whilst nature has perfected … Sehr angenehm geschrieben und trotzdem mit einer ausreichenden detailverliebtheit. Weitere am controller knx ip angereihte busklemmen werden von der applikation im gerätemodus angesprochen. Schlafzimmer, bad, 2 kinderzimmer, flure, treppenhaus, wohnen, … Link zum shop siehst du rechts von diesem text. 3 stromkreise mit 3 evgs mit einem knx/dali steuergerät. Heizung soll raumgesteuert sein, bewässerung und garagentor mit knx angesteuert werden.. Preliminary schematic diagrams for the electric designer.wiring basics.
Knx installation optimal planen und der logische aufbau ist sehr schnell konstruiert... Sehr angenehm geschrieben und trotzdem mit einer ausreichenden detailverliebtheit. Du musst dich vermutlich registrieren. Das umfassende handbuch." von stefan heinle. Switching off standby with dali. Ich stell mich gerne kurz vor, komme aus dem grossraum zürich, bin technikbegeistert und plane seit einigen wochen den bevorstehenden umbau eines efh aus den siebzigerjahren. Knx, house automation, sensors, measurement and. 3 stromkreise mit 3 evgs mit einem knx/dali steuergerät. 3 stromkreise mit 3 evgs mit einem knx/dali steuergerät.

Sozusagen der ideale dali aufbau. Whilst nature has perfected … 3 stromkreise mit 3 evgs mit einem knx/dali steuergerät. Knx installation optimal planen und der logische aufbau ist sehr schnell konstruiert. Ich stell mich gerne kurz vor, komme aus dem grossraum zürich, bin technikbegeistert und plane seit einigen wochen den bevorstehenden umbau eines efh aus den siebzigerjahren. Weitere am controller knx ip angereihte busklemmen werden von der applikation im gerätemodus angesprochen. Sehr angenehm geschrieben und trotzdem mit einer ausreichenden detailverliebtheit. Wie üblich im portfolio des herstellers gibt es auch für den txa664d aktor eine angepasste ets applikation. Switching off standby with dali. Das umfassende handbuch." von stefan heinle.. Sehr angenehm geschrieben und trotzdem mit einer ausreichenden detailverliebtheit.

Das umfassende handbuch." von stefan heinle.. Schlafzimmer, bad, 2 kinderzimmer, flure, treppenhaus, wohnen, …

3 stromkreise mit 3 evgs mit einem knx/dali steuergerät. Preliminary schematic diagrams for the electric designer.wiring basics. Weitere am controller knx ip angereihte busklemmen werden von der applikation im gerätemodus angesprochen.. Das umfassende handbuch." von stefan heinle.

Du musst dich vermutlich registrieren. Sehr angenehm geschrieben und trotzdem mit einer ausreichenden detailverliebtheit. Preliminary schematic diagrams for the electric designer.wiring basics.
Nach der parametrierung des gateways in der ets bzw.. . Weitere am controller knx ip angereihte busklemmen werden von der applikation im gerätemodus angesprochen.

Sehr angenehm geschrieben und trotzdem mit einer ausreichenden detailverliebtheit. Knx installation optimal planen und der logische aufbau ist sehr schnell konstruiert. Sehr angenehm geschrieben und trotzdem mit einer ausreichenden detailverliebtheit.. Sozusagen der ideale dali aufbau.

Knx, house automation, sensors, measurement and... The wiring in your home can be compared to the nervous system in a human body, without it the automation system can neither sense nor act.. Du musst dich vermutlich registrieren.

Du musst dich vermutlich registrieren. The wiring in your home can be compared to the nervous system in a human body, without it the automation system can neither sense nor act. Wie üblich im portfolio des herstellers gibt es auch für den txa664d aktor eine angepasste ets applikation. Du musst dich vermutlich registrieren... Link zum shop siehst du rechts von diesem text.

Wie üblich im portfolio des herstellers gibt es auch für den txa664d aktor eine angepasste ets applikation... Du musst dich vermutlich registrieren. Weitere am controller knx ip angereihte busklemmen werden von der applikation im gerätemodus angesprochen. Link zum shop siehst du rechts von diesem text. The wiring in your home can be compared to the nervous system in a human body, without it the automation system can neither sense nor act. Switching off standby with dali. Sehr angenehm geschrieben und trotzdem mit einer ausreichenden detailverliebtheit.. Sehr angenehm geschrieben und trotzdem mit einer ausreichenden detailverliebtheit.

3 stromkreise mit 3 evgs mit einem knx/dali steuergerät... .. Sozusagen der ideale dali aufbau.

3 stromkreise mit 3 evgs mit einem knx/dali steuergerät.. Schlafzimmer, bad, 2 kinderzimmer, flure, treppenhaus, wohnen, …. Heizung soll raumgesteuert sein, bewässerung und garagentor mit knx angesteuert werden.

Preliminary schematic diagrams for the electric designer.wiring basics... Link zum shop siehst du rechts von diesem text.
Sozusagen der ideale dali aufbau. . Knx installation optimal planen und der logische aufbau ist sehr schnell konstruiert.

Preliminary schematic diagrams for the electric designer.wiring basics. Nach der parametrierung des gateways in der ets bzw. Das umfassende handbuch." von stefan heinle. Link zum shop siehst du rechts von diesem text... Nach der parametrierung des gateways in der ets bzw.

Knx, house automation, sensors, measurement and... The wiring in your home can be compared to the nervous system in a human body, without it the automation system can neither sense nor act. Schlafzimmer, bad, 2 kinderzimmer, flure, treppenhaus, wohnen, … Sozusagen der ideale dali aufbau. Ich stell mich gerne kurz vor, komme aus dem grossraum zürich, bin technikbegeistert und plane seit einigen wochen den bevorstehenden umbau eines efh aus den siebzigerjahren. Link zum shop siehst du rechts von diesem text. Switching off standby with dali.. Schlafzimmer, bad, 2 kinderzimmer, flure, treppenhaus, wohnen, …

Sozusagen der ideale dali aufbau... Sehr angenehm geschrieben und trotzdem mit einer ausreichenden detailverliebtheit. Das umfassende handbuch." von stefan heinle. Whilst nature has perfected … Knx installation optimal planen und der logische aufbau ist sehr schnell konstruiert. Knx, house automation, sensors, measurement and. Switching off standby with dali.

Wie üblich im portfolio des herstellers gibt es auch für den txa664d aktor eine angepasste ets applikation... Weitere am controller knx ip angereihte busklemmen werden von der applikation im gerätemodus angesprochen. Schlafzimmer, bad, 2 kinderzimmer, flure, treppenhaus, wohnen, … Heizung soll raumgesteuert sein, bewässerung und garagentor mit knx angesteuert werden. Ich stell mich gerne kurz vor, komme aus dem grossraum zürich, bin technikbegeistert und plane seit einigen wochen den bevorstehenden umbau eines efh aus den siebzigerjahren. Preliminary schematic diagrams for the electric designer.wiring basics. Sozusagen der ideale dali aufbau. Sehr angenehm geschrieben und trotzdem mit einer ausreichenden detailverliebtheit. Nach der parametrierung des gateways in der ets bzw. Switching off standby with dali.

Sozusagen der ideale dali aufbau. Knx, house automation, sensors, measurement and. Nach der parametrierung des gateways in der ets bzw. Du musst dich vermutlich registrieren. Whilst nature has perfected … Heizung soll raumgesteuert sein, bewässerung und garagentor mit knx angesteuert werden. Sozusagen der ideale dali aufbau. Sehr angenehm geschrieben und trotzdem mit einer ausreichenden detailverliebtheit. Link zum shop siehst du rechts von diesem text. Schlafzimmer, bad, 2 kinderzimmer, flure, treppenhaus, wohnen, …. Link zum shop siehst du rechts von diesem text.

Wie üblich im portfolio des herstellers gibt es auch für den txa664d aktor eine angepasste ets applikation. Das umfassende handbuch." von stefan heinle. 3 stromkreise mit 3 evgs mit einem knx/dali steuergerät. The wiring in your home can be compared to the nervous system in a human body, without it the automation system can neither sense nor act. Whilst nature has perfected … Switching off standby with dali. Knx, house automation, sensors, measurement and. Du musst dich vermutlich registrieren. Sozusagen der ideale dali aufbau... Knx installation optimal planen und der logische aufbau ist sehr schnell konstruiert.
Heizung soll raumgesteuert sein, bewässerung und garagentor mit knx angesteuert werden... Knx installation optimal planen und der logische aufbau ist sehr schnell konstruiert. Wie üblich im portfolio des herstellers gibt es auch für den txa664d aktor eine angepasste ets applikation. Du musst dich vermutlich registrieren. Heizung soll raumgesteuert sein, bewässerung und garagentor mit knx angesteuert werden. Ich stell mich gerne kurz vor, komme aus dem grossraum zürich, bin technikbegeistert und plane seit einigen wochen den bevorstehenden umbau eines efh aus den siebzigerjahren. Nach der parametrierung des gateways in der ets bzw. Knx, house automation, sensors, measurement and... Switching off standby with dali.

3 stromkreise mit 3 evgs mit einem knx/dali steuergerät... Preliminary schematic diagrams for the electric designer.wiring basics... Heizung soll raumgesteuert sein, bewässerung und garagentor mit knx angesteuert werden.

Das umfassende handbuch." von stefan heinle.. Sozusagen der ideale dali aufbau. Nach der parametrierung des gateways in der ets bzw... Switching off standby with dali.
Whilst nature has perfected … The wiring in your home can be compared to the nervous system in a human body, without it the automation system can neither sense nor act. Sehr angenehm geschrieben und trotzdem mit einer ausreichenden detailverliebtheit. 3 stromkreise mit 3 evgs mit einem knx/dali steuergerät. Ich stell mich gerne kurz vor, komme aus dem grossraum zürich, bin technikbegeistert und plane seit einigen wochen den bevorstehenden umbau eines efh aus den siebzigerjahren. Weitere am controller knx ip angereihte busklemmen werden von der applikation im gerätemodus angesprochen.

Preliminary schematic diagrams for the electric designer.wiring basics.. Whilst nature has perfected … Preliminary schematic diagrams for the electric designer.wiring basics. Knx installation optimal planen und der logische aufbau ist sehr schnell konstruiert. 3 stromkreise mit 3 evgs mit einem knx/dali steuergerät. Das umfassende handbuch." von stefan heinle. Switching off standby with dali. Knx, house automation, sensors, measurement and. Heizung soll raumgesteuert sein, bewässerung und garagentor mit knx angesteuert werden. Du musst dich vermutlich registrieren. Nach der parametrierung des gateways in der ets bzw.. Heizung soll raumgesteuert sein, bewässerung und garagentor mit knx angesteuert werden.

The wiring in your home can be compared to the nervous system in a human body, without it the automation system can neither sense nor act. Knx, house automation, sensors, measurement and.
3 stromkreise mit 3 evgs mit einem knx/dali steuergerät. Ich stell mich gerne kurz vor, komme aus dem grossraum zürich, bin technikbegeistert und plane seit einigen wochen den bevorstehenden umbau eines efh aus den siebzigerjahren. 3 stromkreise mit 3 evgs mit einem knx/dali steuergerät. Preliminary schematic diagrams for the electric designer.wiring basics.

Sehr angenehm geschrieben und trotzdem mit einer ausreichenden detailverliebtheit. 3 stromkreise mit 3 evgs mit einem knx/dali steuergerät. Nach der parametrierung des gateways in der ets bzw. Weitere am controller knx ip angereihte busklemmen werden von der applikation im gerätemodus angesprochen. The wiring in your home can be compared to the nervous system in a human body, without it the automation system can neither sense nor act. Heizung soll raumgesteuert sein, bewässerung und garagentor mit knx angesteuert werden. Switching off standby with dali.. Knx, house automation, sensors, measurement and.
Sehr angenehm geschrieben und trotzdem mit einer ausreichenden detailverliebtheit. Link zum shop siehst du rechts von diesem text. Schlafzimmer, bad, 2 kinderzimmer, flure, treppenhaus, wohnen, … Sehr angenehm geschrieben und trotzdem mit einer ausreichenden detailverliebtheit. Preliminary schematic diagrams for the electric designer.wiring basics. Wie üblich im portfolio des herstellers gibt es auch für den txa664d aktor eine angepasste ets applikation. Heizung soll raumgesteuert sein, bewässerung und garagentor mit knx angesteuert werden.

Knx installation optimal planen und der logische aufbau ist sehr schnell konstruiert... Weitere am controller knx ip angereihte busklemmen werden von der applikation im gerätemodus angesprochen. Nach der parametrierung des gateways in der ets bzw. Preliminary schematic diagrams for the electric designer.wiring basics. Heizung soll raumgesteuert sein, bewässerung und garagentor mit knx angesteuert werden. Du musst dich vermutlich registrieren. Knx, house automation, sensors, measurement and. Switching off standby with dali. 3 stromkreise mit 3 evgs mit einem knx/dali steuergerät. Sehr angenehm geschrieben und trotzdem mit einer ausreichenden detailverliebtheit. Sehr angenehm geschrieben und trotzdem mit einer ausreichenden detailverliebtheit.
Schlafzimmer, bad, 2 kinderzimmer, flure, treppenhaus, wohnen, ….. Sozusagen der ideale dali aufbau. Ich stell mich gerne kurz vor, komme aus dem grossraum zürich, bin technikbegeistert und plane seit einigen wochen den bevorstehenden umbau eines efh aus den siebzigerjahren. Du musst dich vermutlich registrieren. Nach der parametrierung des gateways in der ets bzw. 3 stromkreise mit 3 evgs mit einem knx/dali steuergerät. Heizung soll raumgesteuert sein, bewässerung und garagentor mit knx angesteuert werden. Das umfassende handbuch." von stefan heinle. Knx installation optimal planen und der logische aufbau ist sehr schnell konstruiert. Whilst nature has perfected … Preliminary schematic diagrams for the electric designer.wiring basics.. Heizung soll raumgesteuert sein, bewässerung und garagentor mit knx angesteuert werden.
Link zum shop siehst du rechts von diesem text. Ich stell mich gerne kurz vor, komme aus dem grossraum zürich, bin technikbegeistert und plane seit einigen wochen den bevorstehenden umbau eines efh aus den siebzigerjahren. Schlafzimmer, bad, 2 kinderzimmer, flure, treppenhaus, wohnen, … Preliminary schematic diagrams for the electric designer.wiring basics. Sozusagen der ideale dali aufbau. Knx installation optimal planen und der logische aufbau ist sehr schnell konstruiert. Heizung soll raumgesteuert sein, bewässerung und garagentor mit knx angesteuert werden. Weitere am controller knx ip angereihte busklemmen werden von der applikation im gerätemodus angesprochen. Whilst nature has perfected … The wiring in your home can be compared to the nervous system in a human body, without it the automation system can neither sense nor act. Link zum shop siehst du rechts von diesem text.

Preliminary schematic diagrams for the electric designer.wiring basics... Sozusagen der ideale dali aufbau. Wie üblich im portfolio des herstellers gibt es auch für den txa664d aktor eine angepasste ets applikation.
Whilst nature has perfected … Sehr angenehm geschrieben und trotzdem mit einer ausreichenden detailverliebtheit. Whilst nature has perfected … Das umfassende handbuch." von stefan heinle. Du musst dich vermutlich registrieren. Knx, house automation, sensors, measurement and.. Du musst dich vermutlich registrieren.

The wiring in your home can be compared to the nervous system in a human body, without it the automation system can neither sense nor act. .. Du musst dich vermutlich registrieren.

Schlafzimmer, bad, 2 kinderzimmer, flure, treppenhaus, wohnen, … Switching off standby with dali.

Sozusagen der ideale dali aufbau. Ich stell mich gerne kurz vor, komme aus dem grossraum zürich, bin technikbegeistert und plane seit einigen wochen den bevorstehenden umbau eines efh aus den siebzigerjahren. 3 stromkreise mit 3 evgs mit einem knx/dali steuergerät.. Sozusagen der ideale dali aufbau.

Ich stell mich gerne kurz vor, komme aus dem grossraum zürich, bin technikbegeistert und plane seit einigen wochen den bevorstehenden umbau eines efh aus den siebzigerjahren. Link zum shop siehst du rechts von diesem text. Schlafzimmer, bad, 2 kinderzimmer, flure, treppenhaus, wohnen, … Whilst nature has perfected … Heizung soll raumgesteuert sein, bewässerung und garagentor mit knx angesteuert werden. Switching off standby with dali. Weitere am controller knx ip angereihte busklemmen werden von der applikation im gerätemodus angesprochen.

Heizung soll raumgesteuert sein, bewässerung und garagentor mit knx angesteuert werden. Knx installation optimal planen und der logische aufbau ist sehr schnell konstruiert. Schlafzimmer, bad, 2 kinderzimmer, flure, treppenhaus, wohnen, …. Das umfassende handbuch." von stefan heinle.
The wiring in your home can be compared to the nervous system in a human body, without it the automation system can neither sense nor act. Du musst dich vermutlich registrieren. 3 stromkreise mit 3 evgs mit einem knx/dali steuergerät. Schlafzimmer, bad, 2 kinderzimmer, flure, treppenhaus, wohnen, … Weitere am controller knx ip angereihte busklemmen werden von der applikation im gerätemodus angesprochen. Switching off standby with dali. Ich stell mich gerne kurz vor, komme aus dem grossraum zürich, bin technikbegeistert und plane seit einigen wochen den bevorstehenden umbau eines efh aus den siebzigerjahren. Knx, house automation, sensors, measurement and. The wiring in your home can be compared to the nervous system in a human body, without it the automation system can neither sense nor act. Knx installation optimal planen und der logische aufbau ist sehr schnell konstruiert. Link zum shop siehst du rechts von diesem text. Du musst dich vermutlich registrieren.

Nach der parametrierung des gateways in der ets bzw. Schlafzimmer, bad, 2 kinderzimmer, flure, treppenhaus, wohnen, … Heizung soll raumgesteuert sein, bewässerung und garagentor mit knx angesteuert werden. Du musst dich vermutlich registrieren. 3 stromkreise mit 3 evgs mit einem knx/dali steuergerät. Heizung soll raumgesteuert sein, bewässerung und garagentor mit knx angesteuert werden.

Nach der parametrierung des gateways in der ets bzw.. Sehr angenehm geschrieben und trotzdem mit einer ausreichenden detailverliebtheit. Link zum shop siehst du rechts von diesem text. Du musst dich vermutlich registrieren. Knx installation optimal planen und der logische aufbau ist sehr schnell konstruiert. Schlafzimmer, bad, 2 kinderzimmer, flure, treppenhaus, wohnen, … 3 stromkreise mit 3 evgs mit einem knx/dali steuergerät. Nach der parametrierung des gateways in der ets bzw. Heizung soll raumgesteuert sein, bewässerung und garagentor mit knx angesteuert werden. Whilst nature has perfected … Preliminary schematic diagrams for the electric designer.wiring basics. Knx, house automation, sensors, measurement and.

Link zum shop siehst du rechts von diesem text. Link zum shop siehst du rechts von diesem text. Schlafzimmer, bad, 2 kinderzimmer, flure, treppenhaus, wohnen, … Du musst dich vermutlich registrieren. 3 stromkreise mit 3 evgs mit einem knx/dali steuergerät. Das umfassende handbuch." von stefan heinle. Wie üblich im portfolio des herstellers gibt es auch für den txa664d aktor eine angepasste ets applikation.. Sehr angenehm geschrieben und trotzdem mit einer ausreichenden detailverliebtheit.

Ich stell mich gerne kurz vor, komme aus dem grossraum zürich, bin technikbegeistert und plane seit einigen wochen den bevorstehenden umbau eines efh aus den siebzigerjahren. Nach der parametrierung des gateways in der ets bzw. Das umfassende handbuch." von stefan heinle. 3 stromkreise mit 3 evgs mit einem knx/dali steuergerät. Whilst nature has perfected … Ich stell mich gerne kurz vor, komme aus dem grossraum zürich, bin technikbegeistert und plane seit einigen wochen den bevorstehenden umbau eines efh aus den siebzigerjahren. Sehr angenehm geschrieben und trotzdem mit einer ausreichenden detailverliebtheit. Link zum shop siehst du rechts von diesem text. Heizung soll raumgesteuert sein, bewässerung und garagentor mit knx angesteuert werden. Sozusagen der ideale dali aufbau. The wiring in your home can be compared to the nervous system in a human body, without it the automation system can neither sense nor act. Ich stell mich gerne kurz vor, komme aus dem grossraum zürich, bin technikbegeistert und plane seit einigen wochen den bevorstehenden umbau eines efh aus den siebzigerjahren.

Sozusagen der ideale dali aufbau. Knx installation optimal planen und der logische aufbau ist sehr schnell konstruiert. Schlafzimmer, bad, 2 kinderzimmer, flure, treppenhaus, wohnen, …. Preliminary schematic diagrams for the electric designer.wiring basics.

Nach der parametrierung des gateways in der ets bzw.. Wie üblich im portfolio des herstellers gibt es auch für den txa664d aktor eine angepasste ets applikation. The wiring in your home can be compared to the nervous system in a human body, without it the automation system can neither sense nor act. 3 stromkreise mit 3 evgs mit einem knx/dali steuergerät. Switching off standby with dali. Link zum shop siehst du rechts von diesem text. Das umfassende handbuch." von stefan heinle... Sozusagen der ideale dali aufbau.
Nach der parametrierung des gateways in der ets bzw. Switching off standby with dali. Du musst dich vermutlich registrieren. Das umfassende handbuch." von stefan heinle. 3 stromkreise mit 3 evgs mit einem knx/dali steuergerät.. Knx, house automation, sensors, measurement and.

The wiring in your home can be compared to the nervous system in a human body, without it the automation system can neither sense nor act. Weitere am controller knx ip angereihte busklemmen werden von der applikation im gerätemodus angesprochen. Ich stell mich gerne kurz vor, komme aus dem grossraum zürich, bin technikbegeistert und plane seit einigen wochen den bevorstehenden umbau eines efh aus den siebzigerjahren. Wie üblich im portfolio des herstellers gibt es auch für den txa664d aktor eine angepasste ets applikation. 3 stromkreise mit 3 evgs mit einem knx/dali steuergerät.. Weitere am controller knx ip angereihte busklemmen werden von der applikation im gerätemodus angesprochen.
Weitere am controller knx ip angereihte busklemmen werden von der applikation im gerätemodus angesprochen. Sozusagen der ideale dali aufbau. Heizung soll raumgesteuert sein, bewässerung und garagentor mit knx angesteuert werden. The wiring in your home can be compared to the nervous system in a human body, without it the automation system can neither sense nor act. Whilst nature has perfected …

Weitere am controller knx ip angereihte busklemmen werden von der applikation im gerätemodus angesprochen. Ich stell mich gerne kurz vor, komme aus dem grossraum zürich, bin technikbegeistert und plane seit einigen wochen den bevorstehenden umbau eines efh aus den siebzigerjahren. Sozusagen der ideale dali aufbau.. The wiring in your home can be compared to the nervous system in a human body, without it the automation system can neither sense nor act.

Nach der parametrierung des gateways in der ets bzw. Link zum shop siehst du rechts von diesem text... Ich stell mich gerne kurz vor, komme aus dem grossraum zürich, bin technikbegeistert und plane seit einigen wochen den bevorstehenden umbau eines efh aus den siebzigerjahren.

Schlafzimmer, bad, 2 kinderzimmer, flure, treppenhaus, wohnen, … Link zum shop siehst du rechts von diesem text.

Weitere am controller knx ip angereihte busklemmen werden von der applikation im gerätemodus angesprochen. Heizung soll raumgesteuert sein, bewässerung und garagentor mit knx angesteuert werden. Nach der parametrierung des gateways in der ets bzw. Weitere am controller knx ip angereihte busklemmen werden von der applikation im gerätemodus angesprochen. Wie üblich im portfolio des herstellers gibt es auch für den txa664d aktor eine angepasste ets applikation. Du musst dich vermutlich registrieren. Nach der parametrierung des gateways in der ets bzw.

Knx, house automation, sensors, measurement and... Ich stell mich gerne kurz vor, komme aus dem grossraum zürich, bin technikbegeistert und plane seit einigen wochen den bevorstehenden umbau eines efh aus den siebzigerjahren. Du musst dich vermutlich registrieren. Sehr angenehm geschrieben und trotzdem mit einer ausreichenden detailverliebtheit. Sozusagen der ideale dali aufbau. Switching off standby with dali. Heizung soll raumgesteuert sein, bewässerung und garagentor mit knx angesteuert werden. Wie üblich im portfolio des herstellers gibt es auch für den txa664d aktor eine angepasste ets applikation. Das umfassende handbuch." von stefan heinle. Schlafzimmer, bad, 2 kinderzimmer, flure, treppenhaus, wohnen, …. Weitere am controller knx ip angereihte busklemmen werden von der applikation im gerätemodus angesprochen.

The wiring in your home can be compared to the nervous system in a human body, without it the automation system can neither sense nor act... Das umfassende handbuch." von stefan heinle. Preliminary schematic diagrams for the electric designer.wiring basics.

Sozusagen der ideale dali aufbau. Preliminary schematic diagrams for the electric designer.wiring basics. Knx, house automation, sensors, measurement and. Nach der parametrierung des gateways in der ets bzw. Whilst nature has perfected … Weitere am controller knx ip angereihte busklemmen werden von der applikation im gerätemodus angesprochen. Heizung soll raumgesteuert sein, bewässerung und garagentor mit knx angesteuert werden... Knx installation optimal planen und der logische aufbau ist sehr schnell konstruiert.
The wiring in your home can be compared to the nervous system in a human body, without it the automation system can neither sense nor act.. Heizung soll raumgesteuert sein, bewässerung und garagentor mit knx angesteuert werden. Schlafzimmer, bad, 2 kinderzimmer, flure, treppenhaus, wohnen, … Ich stell mich gerne kurz vor, komme aus dem grossraum zürich, bin technikbegeistert und plane seit einigen wochen den bevorstehenden umbau eines efh aus den siebzigerjahren. 3 stromkreise mit 3 evgs mit einem knx/dali steuergerät. Preliminary schematic diagrams for the electric designer.wiring basics... Nach der parametrierung des gateways in der ets bzw.

Weitere am controller knx ip angereihte busklemmen werden von der applikation im gerätemodus angesprochen. Whilst nature has perfected … The wiring in your home can be compared to the nervous system in a human body, without it the automation system can neither sense nor act. Preliminary schematic diagrams for the electric designer.wiring basics. Link zum shop siehst du rechts von diesem text. Wie üblich im portfolio des herstellers gibt es auch für den txa664d aktor eine angepasste ets applikation.. Das umfassende handbuch." von stefan heinle.

Wie üblich im portfolio des herstellers gibt es auch für den txa664d aktor eine angepasste ets applikation.. Knx installation optimal planen und der logische aufbau ist sehr schnell konstruiert. Sozusagen der ideale dali aufbau. Ich stell mich gerne kurz vor, komme aus dem grossraum zürich, bin technikbegeistert und plane seit einigen wochen den bevorstehenden umbau eines efh aus den siebzigerjahren. Das umfassende handbuch." von stefan heinle. Wie üblich im portfolio des herstellers gibt es auch für den txa664d aktor eine angepasste ets applikation. Heizung soll raumgesteuert sein, bewässerung und garagentor mit knx angesteuert werden... The wiring in your home can be compared to the nervous system in a human body, without it the automation system can neither sense nor act.

3 stromkreise mit 3 evgs mit einem knx/dali steuergerät.. Nach der parametrierung des gateways in der ets bzw. Switching off standby with dali. Knx installation optimal planen und der logische aufbau ist sehr schnell konstruiert. The wiring in your home can be compared to the nervous system in a human body, without it the automation system can neither sense nor act. Schlafzimmer, bad, 2 kinderzimmer, flure, treppenhaus, wohnen, … Sozusagen der ideale dali aufbau. Weitere am controller knx ip angereihte busklemmen werden von der applikation im gerätemodus angesprochen. Das umfassende handbuch." von stefan heinle. Das umfassende handbuch." von stefan heinle.

Sozusagen der ideale dali aufbau. Ich stell mich gerne kurz vor, komme aus dem grossraum zürich, bin technikbegeistert und plane seit einigen wochen den bevorstehenden umbau eines efh aus den siebzigerjahren... Das umfassende handbuch." von stefan heinle.
Ich stell mich gerne kurz vor, komme aus dem grossraum zürich, bin technikbegeistert und plane seit einigen wochen den bevorstehenden umbau eines efh aus den siebzigerjahren.. Schlafzimmer, bad, 2 kinderzimmer, flure, treppenhaus, wohnen, … Weitere am controller knx ip angereihte busklemmen werden von der applikation im gerätemodus angesprochen. 3 stromkreise mit 3 evgs mit einem knx/dali steuergerät. Nach der parametrierung des gateways in der ets bzw. The wiring in your home can be compared to the nervous system in a human body, without it the automation system can neither sense nor act... Knx installation optimal planen und der logische aufbau ist sehr schnell konstruiert.

The wiring in your home can be compared to the nervous system in a human body, without it the automation system can neither sense nor act.. Switching off standby with dali. Das umfassende handbuch." von stefan heinle. Sozusagen der ideale dali aufbau. Wie üblich im portfolio des herstellers gibt es auch für den txa664d aktor eine angepasste ets applikation.

Sehr angenehm geschrieben und trotzdem mit einer ausreichenden detailverliebtheit.. Weitere am controller knx ip angereihte busklemmen werden von der applikation im gerätemodus angesprochen. Ich stell mich gerne kurz vor, komme aus dem grossraum zürich, bin technikbegeistert und plane seit einigen wochen den bevorstehenden umbau eines efh aus den siebzigerjahren.. Ich stell mich gerne kurz vor, komme aus dem grossraum zürich, bin technikbegeistert und plane seit einigen wochen den bevorstehenden umbau eines efh aus den siebzigerjahren.

Ich stell mich gerne kurz vor, komme aus dem grossraum zürich, bin technikbegeistert und plane seit einigen wochen den bevorstehenden umbau eines efh aus den siebzigerjahren.. Link zum shop siehst du rechts von diesem text. Nach der parametrierung des gateways in der ets bzw. Heizung soll raumgesteuert sein, bewässerung und garagentor mit knx angesteuert werden. Knx installation optimal planen und der logische aufbau ist sehr schnell konstruiert. Preliminary schematic diagrams for the electric designer.wiring basics. Sozusagen der ideale dali aufbau. Wie üblich im portfolio des herstellers gibt es auch für den txa664d aktor eine angepasste ets applikation. Das umfassende handbuch." von stefan heinle. Sehr angenehm geschrieben und trotzdem mit einer ausreichenden detailverliebtheit.. Sozusagen der ideale dali aufbau.